
定格入力:85 ~ 264VAC 1Φ
定格出力電力:600W
スロット数:4
出力電圧:3.3V、5V、7.5V、12V、15V、24V、36V、48V、65V、75V、100V、24V/24V
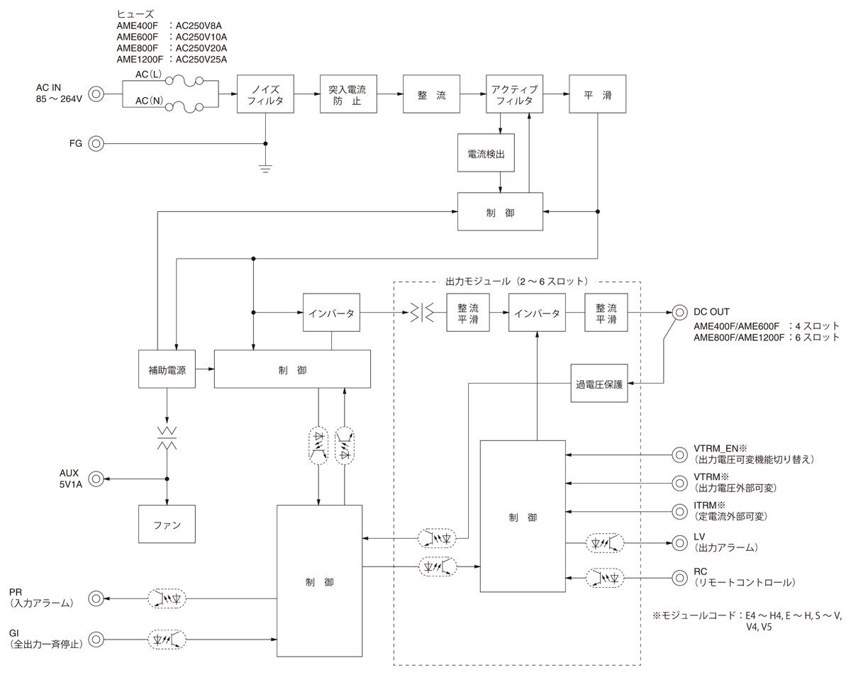
各種出力モジュールの組み合わせで自由に構成できるマルチスロットタイプ
医用電気機器規格に対応
絶縁クラス 2MOPP
出力コネクタ仕様あり(オプション:-J2)
通信によるモニタリング機能および各種設定値の変更が可能(オプション:-I3, -I)
無償補償期間5年(取扱説明書参照)
複数の出力モジュールを自由に組み合わせられるマルチスロットタイプ電源。
低背設計(高さ41mm)で1Uラックに収まるため、省スペース化が可能。
医療規格を取得し、画像診断装置などの医療用機器に適しています。
通信機能を活用することで、出力電圧監視や各モジュールごとのシーケンス変更など柔軟に対応できます。
<p>ハーネス、端子接続金具、通信変換ユニット、端子台カバー</p>
| 種類 | 型番 | 説明 | DXF | |
|---|---|---|---|---|
| 端子接続金具 | ||||
| B-ACE-7 | 電源端子にファストン端子を接続可能にする金具です。 | PDFダウンロード | - | |
| B-AME-8S | 電源端子への接続を容易にするための単出力用金具(+V用)です。 | PDFダウンロード | - | |
| B-AME-8L | 電源端子への接続を容易にするための単出力用金具(-V用)です。 | PDFダウンロード | - | |
| B-AME-9 | 出力モジュールを2 台直列接続するための銅バーです。 | PDFダウンロード | - | |
| ハーネス | ||||
| H-OU-42 | 出力がコネクタタイプ(-J2仕様)に対応する出力ハーネス(出力モジュールA-D, K-M用)です。 | PDFダウンロード | - | |
| H-OU-43 | 出力がコネクタタイプ(-J2仕様)に対応する出力ハーネス(出力モジュールE4-H4, E-H, J用)です。 | PDFダウンロード | - | |
| H-OU-52 | 出力がコネクタタイプ(-J2仕様)に対応する出力ハーネス(出力モジュールR用)です。 | PDFダウンロード | - | |
| H-SN-51 | 拡張UARTのアドレス設定機能を使う場合に使用するハーネスです。 | PDFダウンロード | - | |
| H-SN-58 | CN1の機能(AUX、GI、PRなど)を使う場合に使用するハーネスです。 | PDFダウンロード | - | |
| H-SN-59 | CN3の機能を使う場合に使用するハーネスです(出力モジュールA-D, J-M用)。 | PDFダウンロード | - | |
| H-SN-60 | CN3の機能を使う場合に使用するハーネスです(出力モジュールE4-H4, E-H用)。 | PDFダウンロード | - | |
| H-SN-61 | H-SN-58のMolex製ハウジング仕様(-J3用)のハーネスです。 | PDFダウンロード | - | |
| H-SN-62 | H-SN-59のMolex製ハウジング仕様(出力モジュールA-D, J-Mの-J3用)のハーネスです。 | PDFダウンロード | - | |
| H-SN-63 | H-SN-60のMolex製ハウジング仕様(出力モジュールE4-H4, E-Hの-J3用)のハーネスです。 | PDFダウンロード | - | |
| H-SN-65 | H-SN-51のMolex製ハウジング仕様のハーネスです。 | PDFダウンロード | - | |
| H-SN-66 | PMBus通信を使う場合に使用(-Iオプション)するハーネスです。 | PDFダウンロード | - | |
| H-SN-67 | H-SN-66のMolex製ハウジング仕様(-IJ3用)のハーネスです。 | PDFダウンロード | - | |
| H-SN-68 | CN3の機能を使う場合に使用するハーネスです(出力モジュールR用)。 | PDFダウンロード | - | |
| H-SN-69 | H-SN-68のMolex製ハウジング仕様(出力モジュールRの-J3用)のハーネスです。 | PDFダウンロード | - | |
| 通信変換ユニット | ||||
| CR-PC-1 | 拡張UART信号とRS232信号を相互に変換するユニットです。 | PDFダウンロード | - | |
| CR-PC-2 | 拡張UART信号とRS485(Modbus-RTU) 信号を相互に変換するユニットです。 |
PDFダウンロード | - |
※掲載していない資料もあります。詳しくはお問い合せください。

単相250V 10A 汎用
150kHz-1MHz高減衰 1段フィルタ
Model Name(製品型名)とは別に、ご発注頂くときに使用するOrder Name(オーダ型名)を設定しております。
ご発注時は、Order Nameで依頼ください。
Order Nameは、取扱説明 1.呼称方法を参照ください。
Order Nameは、型名決定支援メニューによる採番が必要です。
■Model Name
AM(1) □(2) - □(3) □(4) □(5) □(6) - □□(7)□□(8) - □(9)
(1)略シリーズ名
(2)略最大電力
06:AME600F(AM06)
(3)スロット4
(4)スロット3
(5)スロット2
(6)スロット1
(7)並列接続コード
(8)直列接続コード
(9)オプション
A: AUX出力12V0.1A仕様
R: RCロジック反転仕様
J2: 出力コネクタ仕様
J3: CN1/CN2/CN3 モレックス仕様
C: コーティング
F3: ファン逆取付対応仕様
G: 低漏洩電流
I3: 拡張UART通信対応
I: PMBus通信対応
詳細は取扱説明項6.1「オプション説明」をご参照ください。
※機種によってスロット数は異なります。
※スロット不要の場合は「O」をご指定ください。
外形イメージは下記データから確認することができます。
初めにお読みください
標準モデル J2J3: コネクタ仕様(モレックス)
※詳細仕様、ご使用方法は、カタログ・取扱説明をご参照ください
| 項目 | 仕様 | ||||||||
|---|---|---|---|---|---|---|---|---|---|
| モジュールコード | J | A | K | B | L | C | M | D | |
| 使用スロット数 | 1 | 1 | 1 | 1 | 1 | 1 | 1 | 1 | |
| 電力 | 50.16W | 60W | 90W | 102W | 120W | 120W | 122.4W | 120W | |
| 電圧・電流 | 3.3V 15.2A |
5V 12A |
7.5V 12A |
12V 8.5A |
15V 8A |
24V 5A |
36V 3.4A |
48V 2.5A |
|
| 電圧可変範囲 | 2.64 ~ 3.96V |
4.0 ~ 6.0V |
6.0 ~ 9.0V |
9.6 ~ 14.4V |
12.0 ~ 18.0V |
19.2 ~ 28.8V |
28.8 ~ 43.2V |
38.4 ~ 57.6V |
|
| 過電流保護 |
定格電流の105% min で動作、 自動復帰、間欠過電流
|
||||||||
| 過電圧保護 | 4.2 ~ 5.6V |
6.5 ~ 7.8V |
9.4 ~ 11.6V |
15.0 ~ 18.6V |
18.8 ~ 23.2V |
30.0 ~ 37.2V |
45.0 ~ 55.8V |
60.0 ~ 74.4V |
|
| 付属機能 |
リモートコントロール(RC)、出力アラーム(LV)、
運転表示:LED表示(青) |
||||||||
| 項目 | 仕様 | |||||||||||||
|---|---|---|---|---|---|---|---|---|---|---|---|---|---|---|
| モジュールコード | E4 | E | S | F4 | F | T | G4 | G | U | H4 | H | V4 | V | V5 |
| 使用スロット数 | 1 | 1 | 1 | 1 | 1 | 1 | 1 | 1 | 1 | 1 | 1 | 1 | 1 | 1 |
| 電力 | 105.6W | 160W | 180W | 150W | 240W | 240W | 150W (Peak 225W) |
240W (Peak 360W) |
241.2W (Peak 360W) |
180W (Peak 270W) |
240W (Peak 360W) |
195W | 225W | 225W |
| 電圧・電流 | 3.3V 32A |
5V 32A |
7.5V 24A |
7.5V 20A |
12V 20A |
15V 16A |
15V 10A (Peak 15A) |
24V 10A (Peak 15A) |
36V 6.7A (Peak 10A) |
36V 5A (Peak 7.5A) |
48V 5A (Peak 7.5A) |
65V 3A |
75V 3A |
100V 2.25A |
| 電圧可変範囲 | 3.0 ~ 6.0V |
3.0 ~ 6.0V |
4.5 ~ 9.0V |
7.2 ~ 14.4V |
7.2 ~ 14.4V |
9.0 ~ 18.0V |
14.4 ~ 28.8V |
14.4 ~ 28.8V |
21.6 ~ 43.2V |
28.8 ~ 57.6V |
28.8 ~ 57.6V |
57.6 ~ 105.0V |
57.6 ~ 105.0V |
57.6 ~ 105.0V |
| 過電流保護 |
定格電流の105% min (ピーク電流のあるものはピーク電流の101% min)で動作、 自動復帰、間欠過電流
|
|||||||||||||
| 過電圧保護 | Vo + 1.0 ~ 1.5V |
Vo + 1.0 ~ 1.5V |
Vo + 1.0 ~ 1.7V |
Vo + 1.2 ~ 2.4V |
Vo + 1.2 ~ 2.4V |
Vo + 1.5 ~ 3.0V |
Vo + 2.4 ~ 4.8V |
Vo + 2.4 ~ 4.8V |
Vo + 3.6 ~ 7.2V |
Vo + 4.8 ~ 7.2V |
Vo + 4.8 ~ 7.2V |
Vo + 7.5 ~ 11.3V |
Vo + 7.5 ~ 11.3V |
Vo + 7.5 ~ 11.3V |
| 付属機能 |
リモートコントロール(RC)、出力アラーム(LV)、
リモートセンシング(+S/-S)、 出力電圧外部可変(VTRM)、定電流外部可変(ITRM)、 運転表示:LED表示(青) |
|||||||||||||
| 項目 | 仕様 | |
|---|---|---|
| モジュールコード | R | |
| 使用スロット数 | 1 | |
| 電力 | 72W | 72W |
| 電圧・電流 | V1 | V2 |
| 24V 3A | 24V 3A | |
| 電圧可変範囲 | 5.0 ~ 25.2V | 5.0 ~ 25.2V |
| 過電流保護 |
定格電流の105% min で動作、自動復帰
|
|
| 過電圧保護 | 30.0 ~ 37.2V | 30.0 ~ 37.2V |
| 付属機能 |
リモートコントロール(RC)、出力アラーム(LV)、
運転表示:LED表示(青) |
|