
定格入力:DC18 ~ 36V, DC36 ~ 76V
定格出力電力:300W
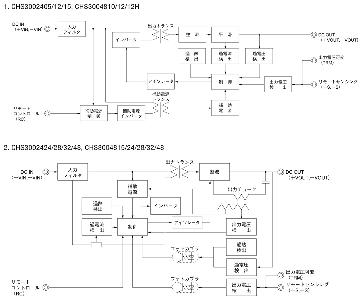
出力電圧:5V、10V、12V、15V、24V、28V、32V、48V
標準パッケージ ブリックサイズ
システムのバス電圧として安定電圧を供給
外部出力電圧可変可能
無償補償期間5年
DC24V/48V給電システムに対応した、パワーモジュール型DC-DCコンバータ。
当社独自のデジタルアシスト制御により、高効率(最大96%)と低ノイズを実現。
世界標準ブリックサイズで電力密度を向上し、装置の省エネ化と熱設計簡素化に貢献。
電解コンデンサレス設計で長寿命化を達成し、伝導放熱方式によりファンレス・静音装置に最適。
| 種類 | 型番 | 説明 | DXF |
|---|
| CADデータ | DXF |
標準モデル
|
|---|---|---|
| 3D CADデータ | STEP |
標準モデル
B:ベースプレート付 BC:ベースプレートおよびケース付 |
| IGES |
標準モデル
B:ベースプレート付 BC:ベースプレートおよびケース付 |
CH(1) S(2) 300(3) 48(4) 10(5) - □(6)
(1)シリーズ名
(2)単一出力
(3)定格出力電力
(4)定格入力電圧
24:DC18 ~ 36V
48:DC36 ~ 76V
(5)定格出力電圧
05:5V
10:10V
12:12V
12H:12V(高効率タイプ)
15:15V
24:24V
28:28V
32:32V
48:48V
(6)オプション
R:リモートコントロール(正論理)
U:保護回路ラッチ停止
B:ベースプレート付き
BC:ベースプレートおよびケース付き(CHS30024のみ)
L2:ピン長さ 5.3mm
L5:5pin タイプ(+S, -S, TRM ピンなし)
I:PMBus 通信付き(CHS3004810/CHS3004812のみ)
※詳細仕様、ご使用方法は、カタログ・取扱説明をご参照ください