倍電圧整流回路を使用している電源において、AC100/200V切換え端子をAC100Vの設定にした場合、倍電圧整流回路で動作し、AC200Vに設定した場合、全波整流回路で動作することになります。
ここで、倍電圧整流回路の動作について説明いたします。
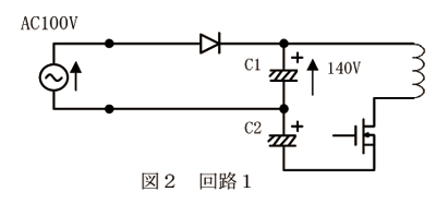
入力電圧が正/負、各々のタイミングにおいて図1の倍電圧整流回路は、各々、図2と図3の回路が切り替わって動作することになります。
すなわち、入力電圧が正期間の場合、図2の回路で動作しC1を充電。入力電圧が負になると、図3の回路となってC2を充電します。
したがって、C1,C2の両端電圧VDCは、AC100VでもAC200Vでも常にDC280Vになり、電源内部は一定の電圧となります。







