スイッチング電源の方式は直流を高周波の交流に変換し、それをふたたび直流に変換する、DC-DCコンバータ部分の回路方式で区別されます。
またこれらはコンバータ自体が発振する自励方式と発振器を別にもつ他励方式とがあります。スイッチング電源の制御用ICなどは他励方式をとっています。
自励方式は入力電圧や負荷の変動によって周波数が変化しますが、他励方式は一定周波数で動作します。
またフォワード方式とフライバック方式とは1次側から2次側へのエネルギー伝達方式のことで、フォワード方式はスイッチングトランジスタがONした時エネルギーの伝達が行われる(ON-ON方式)のに対して、フライバック方式はトランジスタがOFFした時にエネルギーが伝達される(ON-OFF方式)ものです。
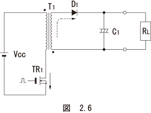
(1)シングルエンディッドフォワード方式
シングルエンディッドフォワード方式は構成が簡単で制御も安定にできることからもっともポピュラーな方式です。
現在では他励方式がほとんどで、小電力から大電力(1.5kW)まで使用されています。
TRがONした時D1がONして負荷へ電流を流し、TRがOFFした時は、チョークコイルに溜まったエネルギーをD2を通して負荷に供給します。
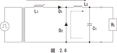
(2)プッシュプル方式
2個のTRを交互にONさせる方式です。
両方のTRがOFFの時D1、D2の両方がONしてチョークコイルのエネルギーを負荷に供給します。
交互のON幅の差でトランスが直流励磁しないよう、ONタイミングをコントロールして使用しています。
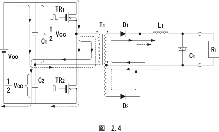
(3)ハーフブリッジ方式
動作はプッシュプル方式と同じですが、トランスの巻線が一つでトランスの利用効率が高く、かつC1、C2によって直流励磁しにくく、トランスにかかる電圧がVccの1/2、TRにかかる電圧がVccと同じになり耐圧の低いトランジスタが使えます。
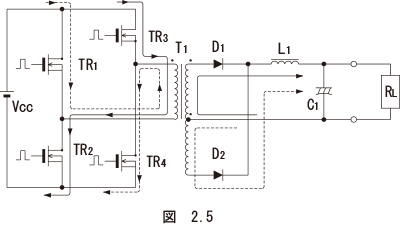
(4)フルブリッジ方式
TR1、TR4とTR2、TR3が交互にONする方式です。
トランス、TRにかかる電圧が共にVccとなります。
特に、大電力のコンバータとして使用されます。
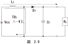
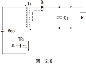
(5)シングルエンディッドフライバック方式
シングルエンディッドフライバック方式は大出力には不向きですが、最小の部品点数で構成することができるため、小容量のスイッチング電源に多用されています。
TR1がONの時トランスにエネルギーを蓄積し、OFFの時D1を通してエネルギーを負荷に供給します、ONの時はC1の放電でエネルギーを負荷に供給しますので、フォワード方式に比べ容量の大きいコンデンサが必要です。
(6)降圧チョッパー方式
シングルフォワード方式と同じ動作をします。
高い電圧を低い電圧に変換する、非絶縁タイプのDC-DCコンバータに使用されます。
(7)マグアンプ方式
スイッチとして可飽和リアクトルを使った方式です。鉄心が飽和する前は高インピーダンス、飽和した後は低インピーダンスになることを利用してスイッチします。
スイッチするタイミングは、飽和と逆方向の励磁量を変化させることによって制御します。
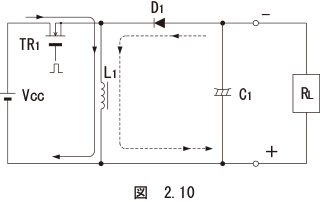
(8)昇圧チョッパー方式
フライバック方式と同じ動作をします。
TR1がOFFした時のチョークコイルから発生する逆起電力を利用してD1を通してエネルギーを負荷に供給します。
低い電圧を高い電圧に変換する、非絶縁タイプのDC-DCコンバータに使用されます。
アクティブフィルター方式力率改善回路にも利用しています。
(9)極性反転型チョッパー方式
フライバック方式と同じ動作をします。
昇圧型とはTRとチョークコイルの位置が逆で、TR1がOFFした時出力にはマイナスの電圧が出てきます。
バックブースト型ともいいます。







